2025届
2024届
2023届
2022届
建筑学院
土木学院
环境学院
建科学院
材料学院
管理学院
机电学院
冶金学院
信控学院
艺术学院
理学院
文学院
资源学院
公管学院
化工学院
体育学院
安德学院
建筑学院
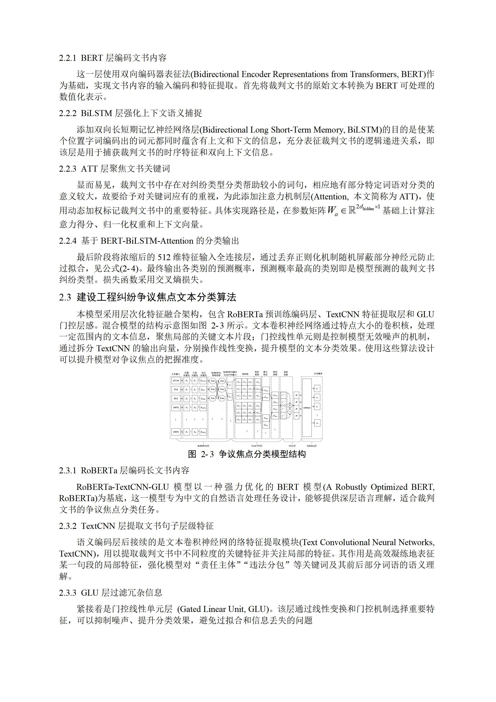
土木学院
环境学院
建科学院
材料学院
管理学院
机电学院
冶金学院
信控学院
艺术学院
理学院
文学院
资源学院
公管学院
化工学院
体育学院
城交院
安德学院
管理学院
当前位置:
首页
>>
2025届
>>
管理学院
基于自然语言处理的建设工程纠纷裁判文书智能分类研究
学生姓名: 吴常亮 指导教师:
王萌萌
上一条:数字平台竞合信息披露对企业绿色创新绩效的影响研究
下一条:基于图像识别的脚手架安全隐患识别方法研究