2025届
2024届
2023届
2022届
建筑学院
土木学院
环境学院
建科学院
材料学院
管理学院
机电学院
冶金学院
信控学院
艺术学院
理学院
文学院
资源学院
公管学院
化工学院
体育学院
安德学院
建筑学院
土木学院
环境学院
建科学院
材料学院
管理学院
机电学院
冶金学院
信控学院
艺术学院
理学院
文学院
资源学院
公管学院
化工学院
体育学院
城交院
安德学院
建科学院
当前位置:
首页
>>
2025届
>>
建科学院
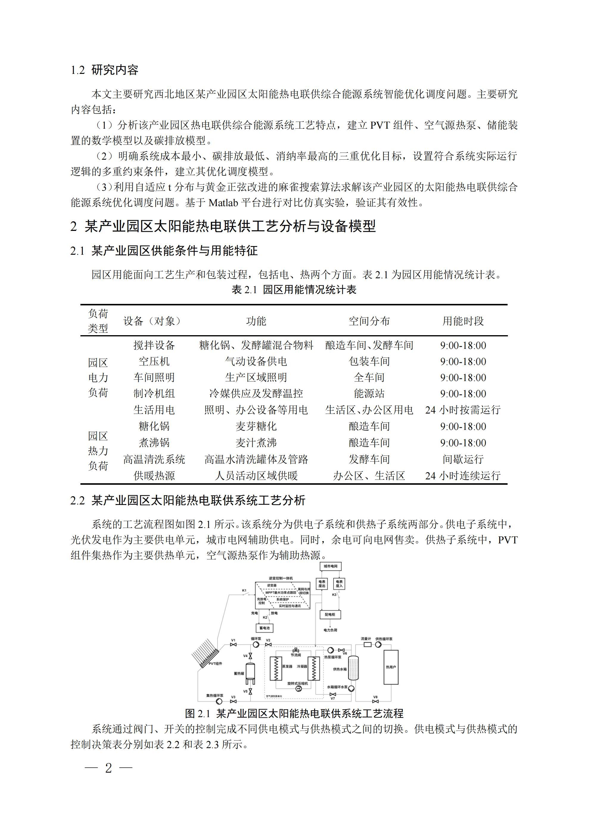
某产业园区太阳能热电联供综合能源系统智能优化调度研究
学生姓名: 王娜 指导教师:
于军琪
上一条:昌都市某办公楼供暖供氧系统设计
下一条:北京市某商场及酒店塔楼空调设计